服务热线
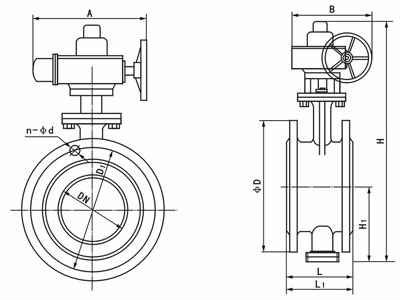
电动软密封蝶阀结构简单、体积小、重量轻,只由少数几个零件组成。而且只需旋转90°即可快速启闭,操作简单,同时该电动蝶阀具有良好的流体控制特性。电动法兰蝶阀处于完全开启位置时,蝶板厚度是介质流经阀体时唯一的阻力,因此通过该蝶阀所产生的压力降很小,故具有较好的流量控制特性。弹性密封阀门,密封圈可以镶嵌在阀体上或附在蝶板周边。
电动法兰蝶阀注意事项:
1:请务必接对电源相序,以免阀门或执行器损坏。
2:通电时禁止手动操作。
3:户外用时最好给电动执行机构外加防护盖子,防止老化。
4:开盖后应拧紧密螺丝,防止进水或灰尘进入执行机构内部。
5:请不要安装在易爆气体周围。
6:请确定输入电压和配线接点是否正确。
7:禁止超负荷使用电动执行机构。





